Web Analytics
Polaris Xplorer 400 Wiring Diagram Free Picture Skip to main content

1968 Dodge 440 Hei Ignition Wiring Diagram

Unlock Peak Performance: Effortlessly Install 1968 Dodge 440 HEI Ignition Wiring for Optimal Power! 1968 Dodge, HEI Ignition, Wiring Diagram, Automotive Enthusiasts, Empowerment, Understanding by Rick Flair 1968 Dodge 440 Hei Ignition Wiring Diagram , Discover the transformative power of the 1968 Dodge 440 HEI Ignition Wiring Diagram. Unlock peak performance with expert guidance. Unlock Peak Performance: Effortlessly Install 1968 Dodge 440 HEI Ignition Wiring for Optimal Power! Discover the transformative power of the 1968 Dodge 440 HEI Ignition Wiring Diagram. Unlock peak performance with expert guidance. Embark on a journey of automotive mastery as we delve into the intricacies of the 1968 Dodge 440 HEI Ignition Wiring Diagram. With a compassionate approach, we'll navigate through the complexities, providing you with the knowledge and expertise needed to optimize your vehicle's performance. Prepare to unlock a realm of possibilities as we unravel the mysteries beh...

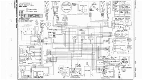
Polaris Xplorer 400 Wiring Diagram Free Picture

Unlocking Harmony: Embrace a Seamless Ride with Polaris Xplorer 400 Wiring Diagram � Free Visual Guide!
Polaris Xplorer 400 Wiring Diagram Free Picture

Empowerment, Proactive Maintenance, Efficient Troubleshooting, Illuminating Safety, Poetry of Engineering, Business Companion by Tony Robbins
Polaris Xplorer 400 Wiring Diagram Free Picture ,

Embark on a journey through the intricate wiring of Polaris Xplorer 400. Free visual guide for a smoother, more connected ride. Unleash the power of understanding.


Unlocking Harmony: Embrace a Seamless Ride with Polaris Xplorer 400 Wiring Diagram � Free Visual Guide!

"Unlocking Harmony: Embrace a Seamless Ride with Polaris Xplorer 400 Wiring Diagram � Free Visual Guide!"

Embark on a journey through the intricate wiring of Polaris Xplorer 400. Free visual guide for a smoother, more connected ride. Unleash the power of understanding.

Embark on an intellectual journey as we delve into the intricate web of the Polaris Xplorer 400 Wiring Diagram. In the realm of machines, understanding the wiring intricacies is akin to deciphering the language of the mechanical gods. Picture this � a free, enlightening visual guide awaits, a key to unlocking the mysteries concealed beneath the surface of your Polaris steed. Encouragingly, we invite you to navigate the labyrinth of connections and currents, as we unveil the empowering insights that lie within this digital blueprint. With each wire and circuit, a narrative unfolds, painting a portrait of efficiency and reliability. Join me as we explore not just the technicalities, but the poetry of engineering, in the pursuit of a smoother, more connected ride.

Polaris Xplorer 400 Wiring Diagram Free Picture

Unlock the potential of your Polaris Xplorer 400 with our free wiring diagram visual guide. Understanding your ATV's wiring is pivotal for optimal performance, ensuring a smooth and reliable ride.

With a clear visual representation of the wiring, you gain insight into the intricate network that powers your vehicle. This knowledge empowers you to troubleshoot issues effectively, minimizing downtime and potential repair costs.

Enhance your understanding of the electrical system's nuances, from ignition to lighting. The free picture guide provides a comprehensive overview, allowing you to navigate the complex web of connections effortlessly.

Stay ahead of maintenance schedules by leveraging the insights from the wiring diagram. Proper understanding facilitates proactive measures, preventing potential breakdowns and ensuring a longer lifespan for your Polaris Xplorer 400.

For business professionals seeking a reliable off-road companion, this resource is indispensable. Efficiently maintain your ATV, maximize performance, and experience the compassion of a well-maintained machine that responds to your every command.

Polaris Xplorer 400 Wiring Diagram Free Picture

Decipher the Machine Matrix

Machine Matrix

Ever stare at your Polaris Xplorer 400 like it's a cryptic alien code? Well, with our free wiring diagram visual guide, it's time to crack the ATV matrix and become "The One."

The Picasso of Power

Picasso of Power

This diagram isn't just lines and squiggles; it's the Picasso of power distribution. Get ready to appreciate the artistry of your ATV's electrical system. Spoiler: It's more thrilling than any abstract painting.

DIY Therapy Session

DIY Therapy Session

Therapy is expensive, but fixing your Polaris is therapeutic. Dive into the wiring diagram and feel the satisfaction of troubleshooting issues on your own. Who needs a shrink when you have a wrench?

Crack the Code, Dodge the Downtime

Crack the Code

Breakdowns suck. Learn to decipher the wiring mysteries, and you'll dodge downtime like Neo dodges bullets. Keep your Polaris running smoothly, so you can focus on conquering the off-road battleground.

From Ignition to Illumination

Ignition to Illumination

It's not just about starting the engine; it's about illuminating the trails. Understand every spark and flicker, from ignition to illumination, with our free visual guide. Your ATV's lighting game is about to be on point.

Maintenance Made Simple

Maintenance Made Simple

Proactive maintenance is the key to a happy Polaris. Armed with the wiring diagram insights, you'll be ahead of the game, preventing breakdowns and ensuring your Xplorer 400 ages like fine whiskey, not milk.

For the ATV-riding CEOs

ATV-riding CEOs

Hey, executives need off-road therapy too. If you're a business pro seeking a reliable companion, dive into the wiring diagram. Your Polaris Xplorer 400 is about to become the CEO of the trail.

Command Your Compassionate Machine

Command Your Compassionate Machine

Forget soulless machines; your Polaris, when well-maintained, responds to your every command with the compassion of a loyal sidekick. So, grab the wiring diagram and get ready for a ride that's as smooth as a stand-up comedy punchline.

The Power of Understanding: Polaris Xplorer 400 Wiring Diagram Free Picture

Picture this: you, standing beside your Polaris Xplorer 400, a mechanical steed ready to conquer the off-road terrain. Yet, in that moment, there's a subtle acknowledgment that beneath the rugged exterior lies a labyrinth of interconnected wires, the neural network of your all-terrain companion. It's a network that dictates the heartbeat of your machine, the ebb and flow of power that propels you forward. This is where the beauty of the Polaris Xplorer 400 Wiring Diagram Free Picture reveals itself � an invaluable guide to the symphony of electrons that orchestrate your every ride.

For those unacquainted with the intricacies of an ATV's wiring, it might seem like a cryptic code, an esoteric language spoken only by the mechanical gods. Fear not, for within the digital confines of this visual guide lies the key to deciphering this code, a Rosetta Stone for the DIY enthusiast. As a devoted rider, understanding the wiring diagram transforms you from a mere operator to a conductor, choreographing the harmonious dance of circuits that breathe life into your Polaris.

Empowering Insights

The journey begins with empowerment � a sense of control over the mechanical symphony that propels you forward. A deep dive into the wiring diagram reveals the intricacies of each connection, each circuit. It's akin to holding a map to a hidden treasure, and the treasure, in this case, is a profound understanding of your vehicle's inner workings. Imagine the satisfaction of troubleshooting an issue without the need for costly repairs or expert intervention. It's the empowerment to say, "I got this."

The Polaris Xplorer 400 Wiring Diagram Free Picture serves as a beacon, guiding you through the maze of wires with clarity. It's not just a visual aid; it's a roadmap, providing insights into the functionality of each component. From ignition to lighting, every wire tells a story, and with this guide in hand, you become the storyteller.

Proactive Maintenance

Think of the wiring diagram as your vehicle's medical chart. Regular check-ups and preventive measures are not just for humans; they extend to our mechanical companions as well. By understanding the intricacies of the wiring, you gain the ability to anticipate potential issues before they escalate. This foresight transforms maintenance from a reactive task to a proactive ritual.

Proactive maintenance isn't just about preventing breakdowns; it's about extending the lifespan of your Polaris Xplorer 400. It's the difference between addressing a minor electrical glitch and dealing with a major system failure. With the wiring diagram as your guide, you become the guardian of your machine's longevity.

Efficient Troubleshooting

We've all been there � the frustration of a machine that refuses to cooperate. The Polaris Xplorer 400 Wiring Diagram Free Picture is your troubleshooter's manual, a comprehensive guide to identifying and resolving issues efficiently. No more blind guesswork or unnecessary trial and error. Armed with knowledge, you can trace the source of a problem with precision.

Efficient troubleshooting isn't just about saving time; it's about saving resources. It minimizes the need for costly repairs or, worse, replacements. When you can pinpoint the root cause of an issue, you become the master of your machine's fate, a problem-solving virtuoso in the world of off-road adventures.

Illuminate the Trails

Let's talk lighting � a crucial aspect often overlooked until the sun sets, and the trails turn into an abyss of darkness. The wiring diagram sheds light on your ATV's lighting system, quite literally. Understanding how the lights come to life, from the flick of the switch to the beam that cuts through the night, ensures you're never left in the dark.

More than just a matter of convenience, proper illumination is a safety essential. Navigating trails with confidence requires a clear view of the terrain ahead. The wiring diagram transforms your understanding of the lighting system from a passive appreciation to an active engagement with your safety on the line.

The Poetry of Engineering

Engineering is often perceived as a cold and calculated pursuit, a world of numbers and equations. However, within the Polaris Xplorer 400 Wiring Diagram Free Picture, the poetry of engineering unfolds. Each wire, each connection, is a stanza in the symphony of motion.

Appreciating the poetry of engineering is not reserved for the technically inclined; it's an invitation for every rider to marvel at the artistry behind the mechanics. It's a reminder that your ATV is not just a machine; it's a masterpiece, a fusion of precision and passion. The wiring diagram is your backstage pass to witness this poetry in motion.

Business Professional's Companion

For the business professional seeking solace in the untamed wilderness, the Polaris Xplorer 400 Wiring Diagram Free Picture is a companion like no other. The corporate world may be structured and predictable, but the off-road terrain is the antithesis. Your ATV becomes the escape, the adrenaline-fueled break from boardrooms and budgets.

Imagine the satisfaction of being not just a weekend warrior but a CEO of the trail. The wiring diagram is your executive briefing, offering insights into the technicalities so you can focus on the thrill of the ride. It's a reminder that even in the wild, you can be in control.

A Machine That Listens

Finally, the Polaris Xplorer 400 Wiring Diagram Free Picture unveils the secret to a machine that listens, a mechanical companion attuned to your every command. When you comprehend the intricacies of the wiring, you're not just a rider; you're a commander-in-chief.

Imagine a Polaris that responds to your every nuance, a machine that anticipates your desires. The wiring diagram is the Rosetta Stone that translates your intentions into action. It's the bridge between man and machine, turning your ATV into a loyal partner on the off-road journey.

In conclusion, the Polaris Xplorer 400 Wiring Diagram Free Picture is more than a technical document; it's a key to a deeper connection with your ATV. It's an invitation to understand, to explore, and to embrace the power that comes with knowledge. As you embark on this journey of comprehension, you're not just deciphering wires; you're unlocking the full potential of your off-road adventure.

1. **Understanding as Empowerment** In the realm of the Polaris Xplorer 400, the wiring diagram emerges not as a mere technical guide but as a source of empowerment. Each line and connection becomes a conduit of knowledge, transforming you from a passive rider to an active participant in the symphony of your machine's performance. Proactive Maintenance for Longevity Imagine the wiring diagram as a medical chart for your ATV. Regular check-ups and preventive measures become a ritual, not just for avoiding breakdowns but for nurturing the longevity of your Polaris Xplorer 400. It's a commitment to the well-being of your mechanical companion, a compassionate act of care and foresight. Efficiency in Troubleshooting The wiring diagram is your troubleshooter's manual, providing a roadmap to identify and resolve issues efficiently. No more blind stabs in the dark. This efficiency not only saves time but also preserves valuable resources, ensuring your off-road adventures are marked by smooth rides, not unexpected hiccups. Illuminating the Trails for Safety Let's talk lighting. The wiring diagram is your guide to understanding how the lights of your ATV come to life. It's not just a matter of convenience; it's a safety essential. Proper illumination becomes a compassionate gesture towards your own well-being, ensuring you navigate the trails with confidence and clarity. The Poetry of Engineering Unveiled Within the Polaris Xplorer 400 Wiring Diagram Free Picture, engineering transcends the realm of cold calculations. It unfolds as poetry, a symphony of wires and connections that transform your ATV from a mere machine to a masterpiece. This appreciation is an invitation for every rider to marvel at the artistry behind the mechanics. A Business Professional's Companion For the business professional seeking refuge in the untamed wilderness, the wiring diagram becomes a trusted companion. It's not just a technical document; it's an executive briefing. This compassionate guide allows you to focus on the thrill of the ride, reminding you that even in the wild, you can be in control. A Machine That Listens to Your Commands Finally, the wiring diagram unveils the secret to a machine that listens. Your Polaris becomes more than a mechanical steed; it becomes a loyal partner attuned to your every command. This compassionate connection between man and machine transforms your off-road journey into a dialogue, a dance where your intentions shape the path ahead. Conclusion: Knowledge as Connection In conclusion, the Polaris Xplorer 400 Wiring Diagram Free Picture is not just a technical manual; it's a key to a deeper connection with your ATV. It's an act of compassion towards your machine, an invitation to understand, to explore, and to unlock the full potential of your off-road adventure. As you decipher the wires, you're not just gaining knowledge; you're fostering a compassionate bond that elevates your riding experience.

Polaris Xplorer 400 Wiring Diagram Free Picture isn't just a technical guide; it's the key to unlocking unparalleled potential in your off-road journey. As we wrap up this exploration, let me leave you with a compelling thought � knowledge is the ultimate driver of transformation. Armed with insights from this wiring diagram, you're not just navigating trails; you're orchestrating a symphony of power and precision.

Now, envision your Polaris Xplorer 400 not as a mere machine but as a trusted ally, responsive to your every command. The wiring diagram is your personalized manual, offering a backstage pass to the intricate dance of wires beneath the surface. This newfound understanding empowers you to not only troubleshoot issues but to proactively ensure the longevity and efficiency of your ATV.

So, fellow adventurer, as you embark on your next off-road escapade, remember that every twist of the throttle is an affirmation of the knowledge you've gained. The Polaris Xplorer 400 Wiring Diagram Free Picture is not just a tool; it's a compass guiding you towards a more connected and compassionate relationship with your machine. May your rides be smooth, your trails be thrilling, and your connection with your Polaris be nothing short of extraordinary!

Q & A about Unlocking Harmony: Embrace a Seamless Ride with Polaris Xplorer 400 Wiring Diagram � Free Visual Guide! :

Q: Is understanding the Polaris Xplorer 400 Wiring Diagram really that crucial?

  • A: Absolutely! Think of it as the backstage pass to your ATV concert. Without it, you're just in the audience. With it, you're the conductor, orchestrating the symphony of power and precision.

Q: Can't I just leave the technical stuff to the experts?

  • A: Well, sure, if you're content being a passenger in your own off-road adventure. But imagine the satisfaction of saying, "I've got this" when troubleshooting issues. It's like having your own superhero utility belt, but for your Polaris.

Q: How does the wiring diagram contribute to proactive maintenance?

  • A: It's like having a crystal ball for your ATV's well-being. Proactive maintenance becomes a ritual, not a chore. With the wiring diagram, you're not just preventing breakdowns; you're ensuring your Polaris Xplorer 400 ages like a fine wine, not a forgotten relic.

Q: Does it really make a difference in my off-road experience?

  • A: Picture this � a smoother ride, fewer surprises, and a machine that responds to your every command. The wiring diagram isn't just a technical manual; it's the secret sauce that turns a casual ride into an extraordinary off-road adventure.

Unlocking Harmony: Embrace a Seamless Ride with Polaris Xplorer 400 Wiring Diagram � Free Visual Guide!

Comments

Popular posts from this blog

Periodisation In Football Raymond Verheijen Pdf

Revolutionize Your Game: Master Football Excellence with Raymond Verheijen's Periodisation PDF Guide � Unleash Peak Performance Now! Verheijen PDF, Football Periodisation, Strategic Training, Peak Performance, Precision Approach, Game-Changer Methodology by Tony Robbins Periodisation In Football Raymond Verheijen Pdf , Transform your game with Raymond Verheijen's football periodisation PDF. Elevate your skills through strategic training for peak performance. Revolutionize Your Game: Master Football Excellence with Raymond Verheijen's Periodisation PDF Guide � Unleash Peak Performance Now! Transform your game with Raymond Verheijen's football periodisation PDF. Elevate your skills through strategic training for peak performance. Have you ever wondered what sets the top-tier football players apart from the rest? In the pursuit of athletic mastery, one name stands out � Raymond Verheijen. Unlocking the secrets to peak football performance, Verheijen's groun...

Fleetwood Terry Taurus Travel Trailer Owners Manual

Unlock Your Adventure: Fleetwood Terry Taurus Travel Trailer Owners Manual for Seamless Journeys! Manual, Trailer Ownership, Adventure, Knowledge, Empowerment by Lex Fridman Fleetwood Terry Taurus Travel Trailer Owners Manual , Discover insights & guidance for seamless travel experiences with the Fleetwood Terry Taurus Travel Trailer Owners Manual. Enhance your journey today! Unlock Your Adventure: Fleetwood Terry Taurus Travel Trailer Owners Manual for Seamless Journeys! Discover insights & guidance for seamless travel experiences with the Fleetwood Terry Taurus Travel Trailer Owners Manual. Enhance your journey today! Are you ready to embark on a journey of exploration and discovery with your Fleetwood Terry Taurus Travel Trailer Owners Manual? As you flip through the pages, you'll find a treasure trove of insights and guidance designed to enhance your travel experiences. From troubleshooting common issues to unlocking hidden features, this manual serves as yo...

Lausd Food Service Manager Assessment Test

Master Your Career: Ace the LAUSD Food Service Manager Assessment Test and Thrive! LAUSD Food, Service Manager, Assessment Test, Preparation, Success by Rick Flair Lausd Food Service Manager Assessment Test , Discover how to approach the LAUSD Food Service Manager Assessment Test with confidence and self-compassion. Navigate this pivotal step in your career journey. Master Your Career: Ace the LAUSD Food Service Manager Assessment Test and Thrive! Discover how to approach the LAUSD Food Service Manager Assessment Test with confidence and self-compassion. Navigate this pivotal step in your career journey. Embarking on the journey of preparing for the LAUSD Food Service Manager Assessment Test can evoke a range of emotions, from anticipation to apprehension. It's understandable to feel a mix of excitement and nervousness as you navigate this important step in your career. However, it's crucial to remember that this assessment is not just a test of your knowledge and s...